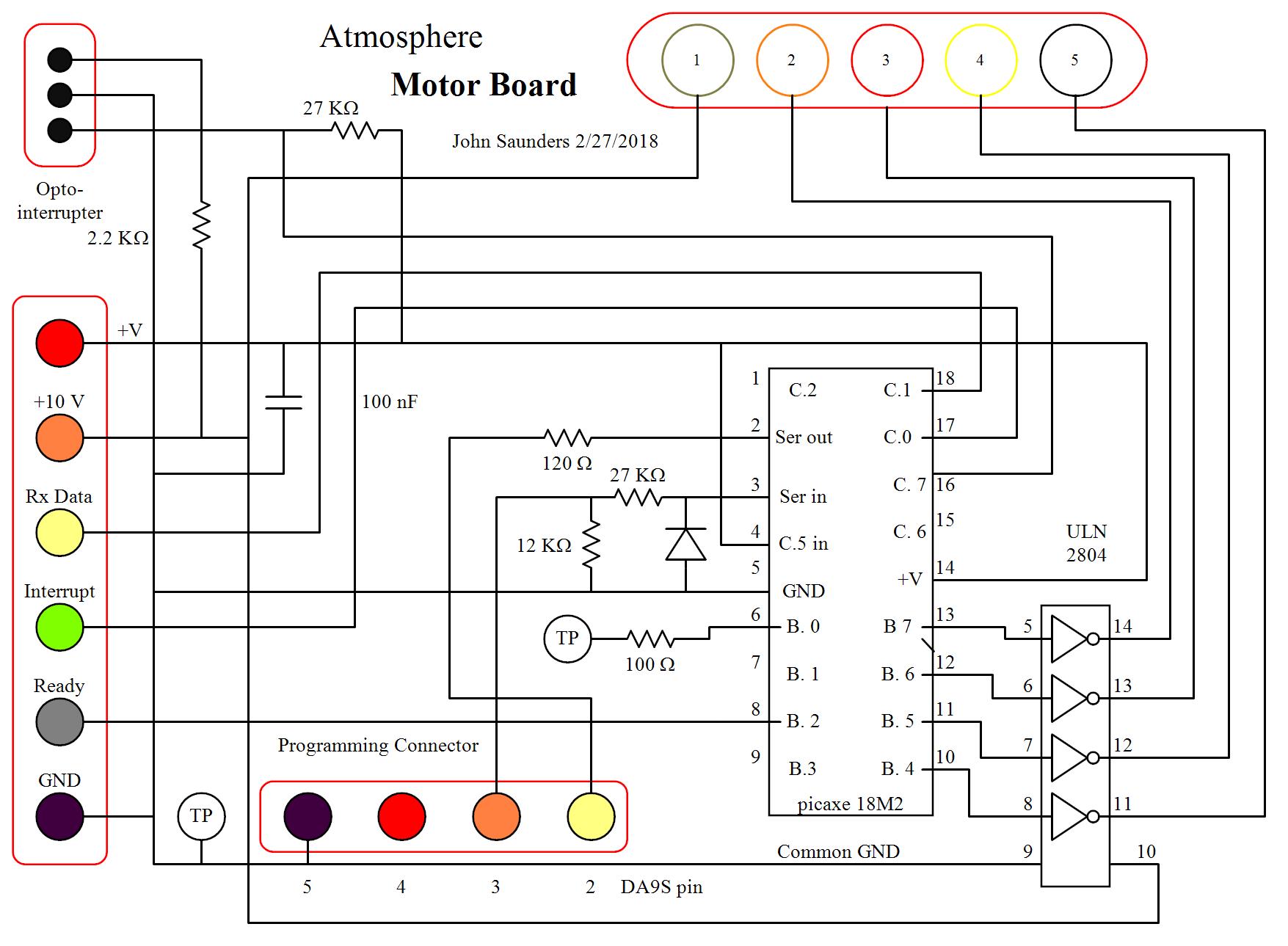
Atmosphere Stepper Board Circuit Diagram:

These connections on the Stepper Motor Board are all headers.

Connectionst