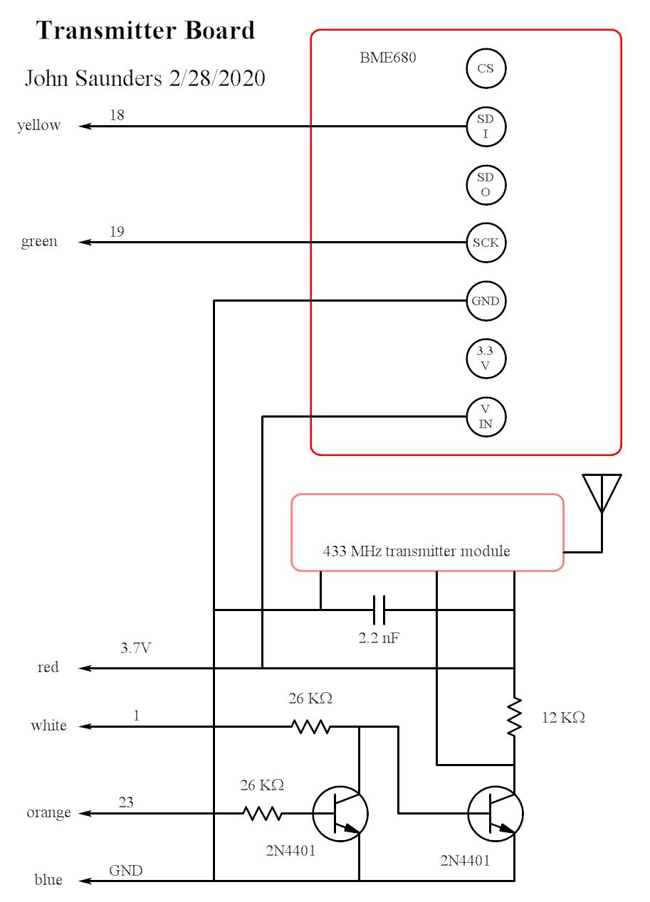
These are the circuit diagrams:

System DiagramBlock Diagram
Processor BoardProcessor
Power AssemblyPower Assembly
Transmitter Assemb;yTransmitter Assembly