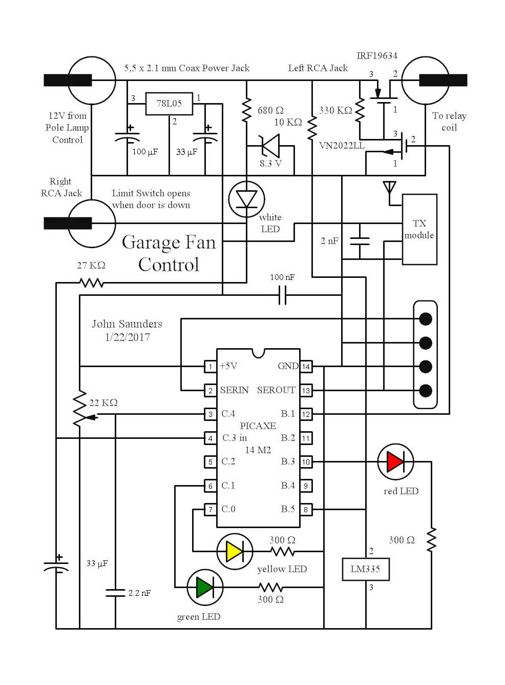
Garage Fan Control Schematics

The Fan Control Board and the fan relay are powered by a 12-volt regulated power supply of the type used to power a hard drive for testing. It is located near the Pole Lamp Control board, which uses its 5-volt output.
The 12-volt output also is also wired to the Door Opening Keypad, where it is used to illuminate the push-buttons.

Garage Fan Components:

Keypad Schematic

Fan Control Board

Control Circuit Schematic