Main

Power Adapter

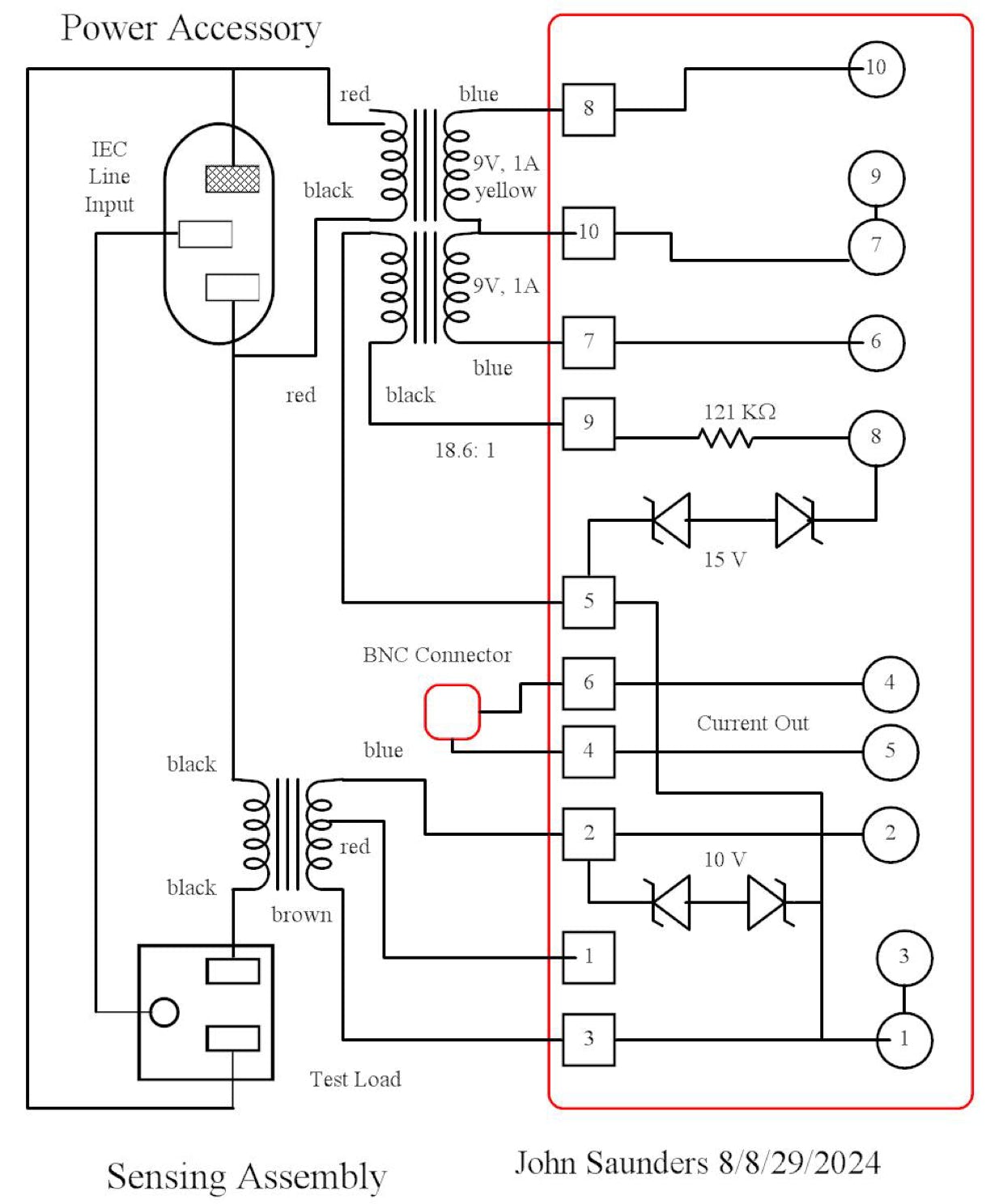
This device depends on the AD633 IC, which is a true four-quadrant analog multiplier.

It can therefore measure ac power taking into consideration non-sinusoidal waveforms and non-unity power factor. To do this it has two transformers, one for voltage and the other for current. 

Since the AD633 also accepts DC inputs it can also act as a variable amplifier. This is used to measure line voltage and test load current.  All 3 output modes have the same 1 MA full-scale calibration.

If the ammeter is disconnected, the waveform may be viewed with a 3V full-scale calibration.

There is only one output, so only one of the 3 measurements may be made at a time.

It is self-contained, having its only included power supply.

The two transformers are bolted to to base of the enclosure, as is an interconnect board for the shrouded IDC 10-pin header which connects to the active components. The larger transformer has two secondary windings. One is for power, the other is for the voltage reference. This has a dropping resistance.

All the remaining parts are soldered onto a board. This, and three switches, are mounted onto the cover plate.

The voltage transformer primary and the equal reference voltage winding are closely coupled for accuracy.

The current transformer has a 295 ohm secondary and a 46:1 ratio. Its output is 22 MA for the high range 1 amp full-scale input.

Separate grounds are provided for the power. signal. and output sections.