These are the logger circuit diagrams.

The circuit schematics are divided according to these five sub-assemblies, which are phsically separate and have minimized interconnections

Sub-Assembly Diagram

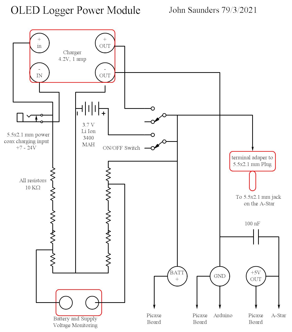
The Power Sub-Assembly switch is wired to isolate the battery when off.
The charger has adjustments for constant-current and constant-voltage regimes.
SIP resistor packs attenuate the charging and battery voltages by 5:1 and 5:4 for monitoring.

Power Assembly

The RF Receiver is on the end of a short cable to keep it away from interference.

Processor

The top sub-Assembly has three units: The Display, the push-buttons, and the encoder.
The encoder has a ribbon cable to the Logger Shield.
The upper connections are a pigtail to the display connector.
The middle connector block is a header for the IDC connector on the ribbon cable.
The lower connections are for a pigtail from the push-buttons.

Processor

The Picaxe Processor Sub-assembly has many connections to the rear panel, but only 2 wires to the Logger Shield and two to the power sub-assembly monitor attenuators.

The circuit at the bottom connects to the Receiver. It is an integrate-and-dump which has an output only for the 10 ms prepulse which precedes my messages. Noise and interference pulses rarely pass this circuit, which I have used in all my projects with receivers

Processor

Rear Panel external connectors

Power Assembly

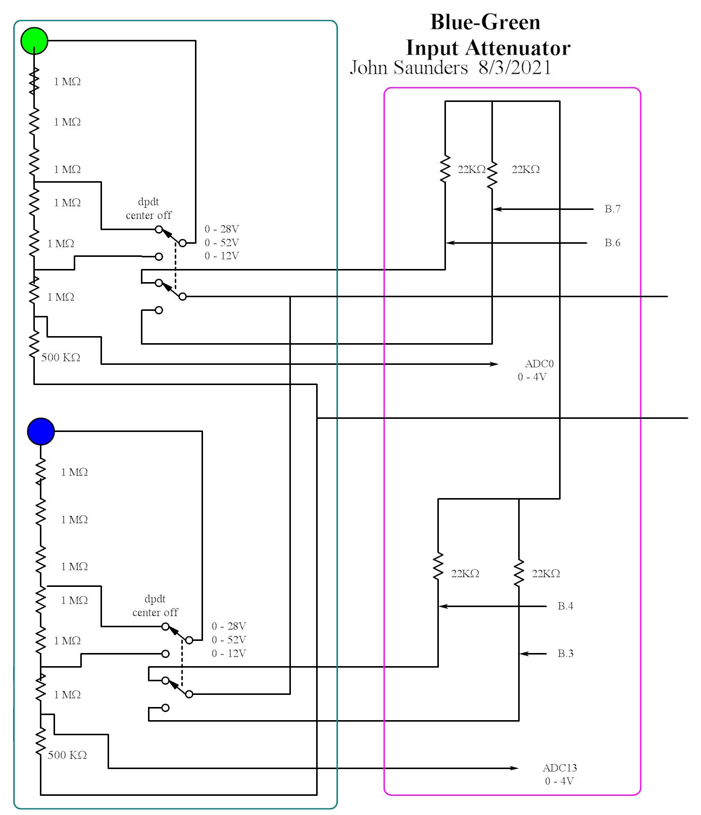
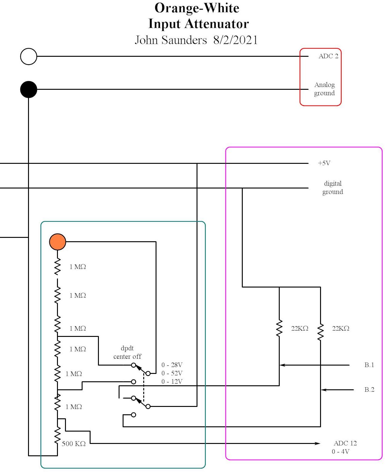
Rear Panel Analog Inputs

The attenuators are constructed using SIP resistor packs, two per input. These have 4 equal individual resistors per pack. I use them freely since I bought hundreds cheaply in assortments.
By their nature the 4 resistors are closely matched, and packs from the same batch also.

Blue-Green Inputs

Orange White Inputs

This shows how wiring is minimized by paralleling two packs alongside each other. By paralleling the end two, ratios of 3,7 and 13 are achieved.
Integral ratios are needed because Picaxe basic only does integer arithmatic.

Transmitter Assembly

There is no circuit diagram for the Arduino sub-assembly because it is a standard configuration.
The pin allocations are in the System Diagram.
The ribbon cable has pins to connect it to the Logger Shield, which passes the signals to the Arduino.
The A-Star's reversed-input protection diode is shorted for improved efficiency and run-time.
The Logger shield has a d-i-y expansion area.
It contains an unused serial EEPROM and a header for the Picaxe sub-assembly power wires.