These are the circuit diagrams

This is the System Diagram

Block Diagram

This is the circuit for the sensors, programming, and external voltage.

External Circuit

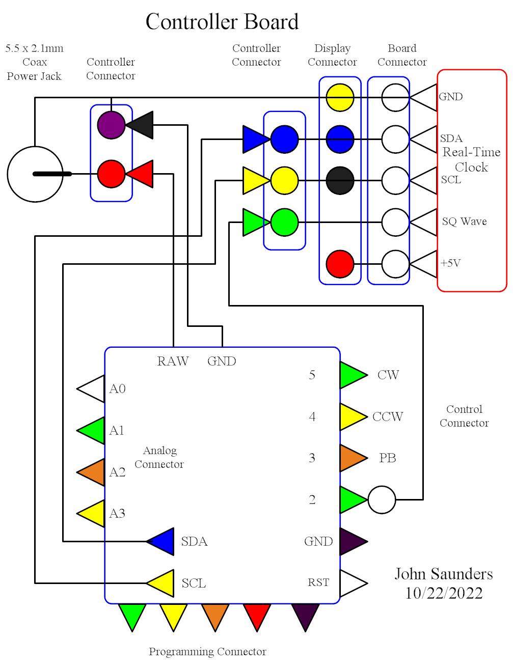
This is the circuit for the controller.

Controller

This is the circuit for the RTC module.

RTC