12-Position Controller

This design was made big enough to have good labeling for all twelve positions of the rotary device selector switch.

This design is predicated on getting a minjature toggle switch with double-pole momentary-off-momentary action, not a popular option. The device to be controlled is selected by a rotary switch, and the toggle switch initiates transmission of ON or OFF codes for up and down as well as display mode commands. 


It is quicker than the pushbutton transmitters since no wait for multiple presses is needed,

It uses an analog approach for determining the rotary switch position which depends on the close matching typical of DIP resistor packs.

This is the inside. The design is not very compact in the top but is just deep enough for the rotary switch. The top is high-quality 1/8" plywood from a craft store and the bottom is wood-grain Formica.The rotary switch pokes through a hole in the circuit board.

This controller is retired.

The 16 resistors  on the right encode the switch position to an analog voltage. Two 8-resistor DIP packs are used.

They are closely match by the manufacturing process.

One side of the toggle switch encodes its position, to form 24 codes.

The other turns on the MOSFET which completes the power circuit.

C4  keeps the power on.

When not being programmed, the top two hider pins are shorted with a jumper block.

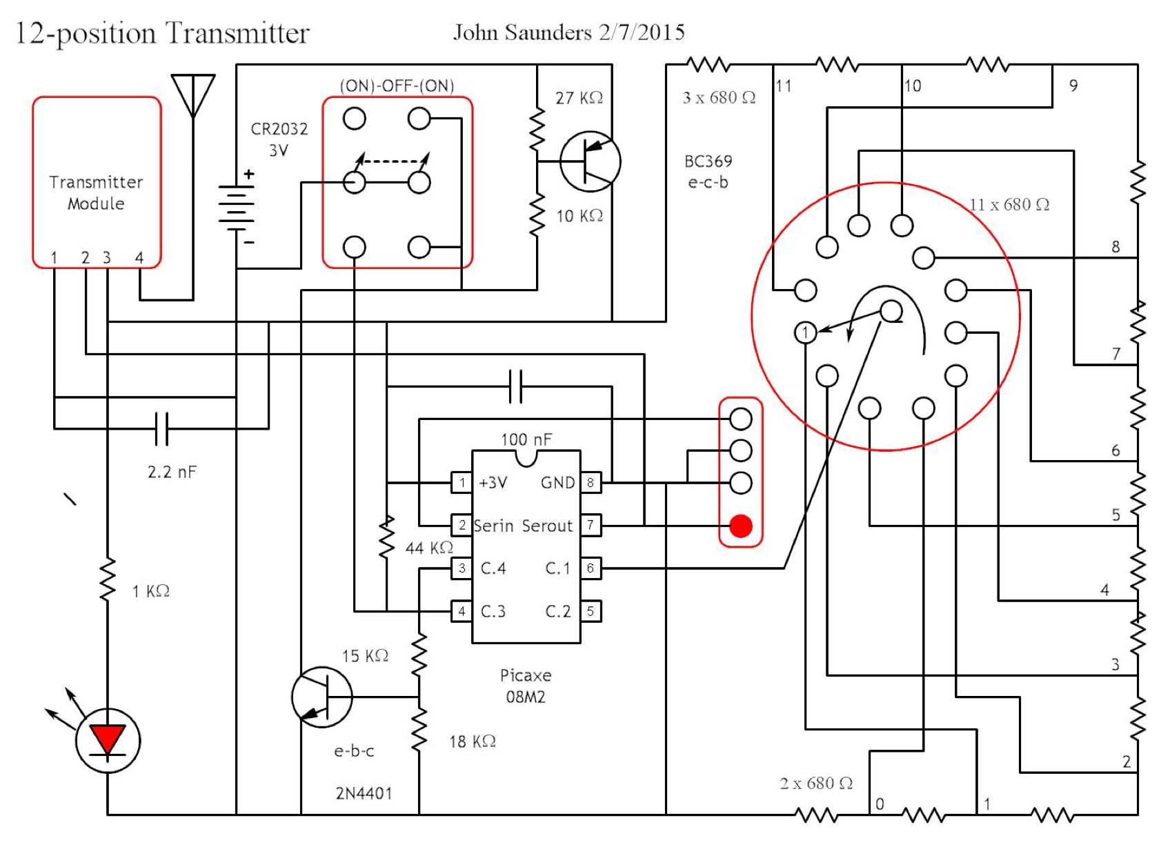
Circuit Diagram

.The circuit uses a Picaxe 08M2 which has 3 functions:

1. Get switch position.

2. Maintain the power until the message has been transmitted.

3. Construct the message and transmit it,

Program

#rem

12_pos_rotary.bas A flat oak box. The switch is connected to non-sequential taps on a 16-resistor potentiometer.

The voltage is measured and combined with the toggle position to provide an index into a table.

The first 3 physical switch positions control the Message Display, and all have a Key Code of "O".

The table gives the Display Code less 48 to distinguish from the rest, which are Key Codes.

Legend: P=actual switch position. I - Index into the data which defines the code to transmit 

John Saunders 2015, anoted 4/24/2022

K = Key Code D = Display Code  A = action

                Up                Down

P    Label        I    D    A            I    D    A

1    GARAGE/MAH     3    A    Garage           2    B    Disp Charging Volts

2    TEMP/HUM    7    C    Disp Temp        6    D    Disp Humidiry

3    BARO/NIGHT    11    E    Baro,solar MA    10    F    Night-time Display



P    Label        I    K    A        I    K    A

4    HANGING    1    I    ON        0    C    OFF

5    FLOOR        5    b    ON        4    f    OFF

6    PINAPPLE    9    K    ON        8    8    OFF

7    FLASHING    13    Y    ON        12    W    OFF

8    SHELF        17    E    ON        16    F    OFF

9    CIRCLE        21    P    ON        20    l    OFF

10   BULLSEYE    15    M    ON        14    g    OFF

11   EGGS        19    d    ON        18    9    OFF

12   CEILING    23    R    ON        22    G    OFF


John Saunders 10/31/2016 added off codes for bullseye and circle

#endrem


#picaxe 08M2


rem Inputs

symbol TX_Data_Port    = B.0        'Idle low serial transmission at 2400 baud

symbol SW_Port        = C.1

symbol Toggle_Port    = PinC.3


rem Outputs

symbol Hold_Port        = C.4


rem Constants

symbol TX_Preamble    = 20        'A long pulse before the serial transmission to trigger an interrupt

symbol TX_Ser_Setup    = 10        'Gives time to execute the serial in command in the interrupt procedure

symbol Start_Count    = 40

symbol Step_Count        = 16


rem Variables

symbol ADC_Val        = b1

symbol Key_Addr        = b2

symbol Threshold        = b3

symbol Key_Code        = b4

symbol Display_Code     = b5


rem Key Code list

rem           0   1   2   3   4   5   6   7   8   9

DATA    0,    ("C","I", 2,  1 ,"f","b", 4 , 3 ,"8","K")

DATA    10,   ( 6 , 5 ,"W","Y","g","M","F","E","9","d")

DATA    20,   ("l","P","G","R")


main:

HIGH Hold_Port

setfreq m4

LOW Tx_Data_Port

PAUSE 50 

READADC Sw_Port,ADC_Val

IF Toggle_Port = 0 THEN

    LET Key_Addr = 0

ELSE

    LET Key_Addr = 1

eNDIF

LET Threshold = Start_Count

DO  WHILE Threshold < ADC_Val

    LET Threshold = Threshold + Step_Count

    LET Key_Addr = Key_Addr + 2

LOOP

READ Key_Addr,Key_Code

IF Key_Code < $30 THEN                    'This is a Display Code less 64

    LET Display_Code = Key_Code + $40

    LET Key_Code = "O"

ENDIF

HIGH TX_Data_Port                        'This pulse unlocks the receiver

PAUSE TX_Preamble

LOW TX_Data_Port

PAUSE TX_Ser_Setup

IF Key_Code = "O" THEN

    SEROUT TX_Data_Port,N2400_4,("14L1776O,",Display_Code)    

ELSE

    SEROUT TX_Data_Port,N2400_4,("14L1776",Key_Code)    

ENDIF

SEROUT TX_Data_Port,N2400_4,(13,10)                'The CR,LF is for recording

PAUSE 50

LOW Hold_Port

END