The Old Solar Sensor

This device measures local temperature, humidity, and solar intensity. It was used for several years until it failed due to copper dendrites formed where circuit traces were in contact with wood. It was replaced by the Solar Sensor which is included in the Weather System. 

It is described here because it was repaired and still exists. Its problem was because it gets its power from a solar panel on its top, so it must be put in a sunny place. 

This not only caused the wooden housing to get wet and rot, but it increased the temperature reading, 

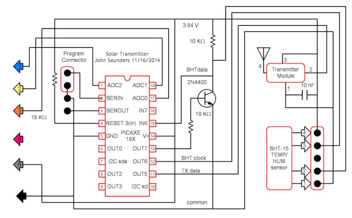
Temperature and humidity are measured by a Sensirion SHT15 digital module. These and battery voltage were transmitted in a 4-byte message.

By comparison, its replacement has a remote solar array, adds pressure sensing, and is in a hermetically-sealed plastic case.

Old Solar Sensor Picaxe Program

Declarations and Data

This is housed in a box for outside use. A 5-cell rechargeable battery is charged by a solar panel.

Battery voltage, charging current, temperature and humidity are measured.

Temperature and humidity are measured by a Sensirion SHT15 digital module.

The measurements are transmitted on 434 MHz using a Wenshing TWS-BS module

John Saunders 3/13/2017 added checksum;new humidity calculation.10/8/2018 output padded

#endrem

#picaxe 18X


rem Inputs

symbol    SHTIn     = pin6

symbol    I_In      = 1

symbol    V_In      = 0


rem Outputs

symbol    SHTCLK    = 6

symbol    SHTOut    = 7

symbol    TxOut     = 5

symbol    Monitor   = 0


rem Global variables

symbol    SHTACK    = bit0    '0=the SHT accepted the command

symbol    SHTVal    = bit1    'State of the output bit from the SHT

symbol    MeasID    = b1    'What to measure: 0=humidity, 1=temperature,2-current,3=voltage

symbol    Phase     = b2    'The main loop is divided into 10 phases

symbol    Err_Cnt   = bit2


rem General variables

symbol    InByte    = b3

symbol    VarAddr   = b4

symbol    Hunds     = b5

symbol    Units     = b6

symbol    Tens      = b7

symbol    Mask      = b8

symbol    Char      = b9


symbol    InWord    = w6

symbol    Scratch   = w5



rem EEPROM

DATA 0,(128,64,32,16,8,4,2,1)    

DATA 10,( 0, 0, 1, 1, 2, 4, 5, 6, 7, 8)    

DATA 20,( 9,10,11,12,14,15,16,17,18,19)    

DATA 30,(20,21,22,23,24,25,26,28,29,30)    

DATA 40,(31,32,33,34,35,36,37,38,30,40)    

DATA 50,(41,42,43,44,45,46,47,48,49,50)    

DATA 60,(51,52,53,54,55,56,57,58,59,60)    

DATA 70,(61,62,63,64,64,65,66,67,68,69)    

DATA 80,(70,71,72,73,74,75,76,76,77,78)    

DATA 90,(79,80,81,82,83,84,84,85,86,87)    

DATA 100,(88,89,90,90,91,92,93,94,95,96)    

DATA 110,(96,97,98,99,100)    


rem Constants

symbol    Pulseval  = 20

symbol     SHTPeriod = 5400

symbol    SHTGap    = 560

symbol    StartAddr = 80

symbol    MinOKVolt = 140 

Init and  Main

init:

SETFREQ m8

LOW SHTCLK

LOW TxOut

LOW SHTOut

LET Phase = 0

SLEEP 1

FOR Char = 0 TO 9

    PULSOUT SHTClK,Pulseval

NEXT Char

LET Err_Cnt = 0

LOW Monitor


main:

LOOKUP Phase,(3,2,0,2,3,2,1,2,3,2,3,3,2,0,2,3,2,1,2,3,2,3),MeasID

LET VarAddr = 2 * MeasID + StartAddr

SELECT MeasID

    CASE 0,1        'SHT

        GOSUB    SHTCommand

        IF SHTACK = 0 THEN

            GOSUB SHTWait

            GOSUB SHTMeas

            LET char = VarAddr + 1

            POKE char,InByte

            HIGH SHTOut

            PULSOUT SHTCLK,Pulseval

            GOSUB SHTMeas

            POKE VarAddr,InByte

        ELSE

            LET Err_Cnt = 1

        ENDIF

    CASE 2        'Solar charging current

        READADC I_in,InByte

        LET InByte = 256 - InByte

        PEEK VarAddr,WORD InWord

        LET InWord = InWord + InByte

        POKE VarAddr,WORD InWord

    CASE 3

        READADC V_In,InByte

        IF InByte < MinOKVolt THEN init    'Out of regulation

        PEEK VarAddr,WORD InWord

        LET InWord = InWord + InByte

        POKE VarAddr,WORD InWord

    ELSE    

        LET InWord = 0

ENDSELECT

PAUSE SHTPeriod

INC Phase

IF Phase > 21 THEN

    LET Phase = 0

    GOSUB WriteOut

    FOR Char = 4 TO 7                    ;Current and voltage

        LET VarAddr = StartAddr + Char

        POKE VarAddr,0

    NEXT

    IF Err_Cnt = 1 THEN init

ENDIF

GOTO main

Sub-programs

SHTCommand:    'SHTCmd is 1 for Humidity, 0 for temperature

rem SHT Start:

HIGH SHTCLK

HIGH SHTOut

LOW SHTCLK

HIGH SHTCLK

LOW SHTOut

LOW SHTCLK

HIGH SHTOut

PAUSE 1

rem SHT Command

IF MeasID = 1 THEN 

    LET Scratch = 5    'Humidity

ELSE

    LET Scratch = 3    'Temperature

ENDIF

FOR Char = 0 TO 7

    READ Char,Mask 

    LET InByte = Scratch & Mask

    IF Inbyte = 0 THEN

        HIGH SHTOut

    ELSE

        LOW SHTOut

    ENDIF

    PULSOUT SHTCLK,Pulseval

NEXT Char

LET SHTACK = SHTIn        'If 0 ack is OK

PULSOUT SHTCLK, Pulseval

LOW SHTOut

RETURN


SHTMeas:

LET InByte = 0

LOW SHTCLK

LOW SHTOut

FOR Char = 0 TO 7

    READ Char,Mask

    LET SHTVal = SHTIn 

    IF SHTVal = 1 THEN

        LET InByte = InByte + Mask

    ENDIF

    PULSOUT SHTCLK,Pulseval

NEXT Char

RETURN


WriteOut:                     '216 ms

LET Char = 132                '3 commas

HIGH TxOut

PAUSE 40

LOW TxOut

PAUSE 20

SEROUT TxOut,N2400_8,("14L1776s,K,")    'K is code for 15

FOR MeasID = 0 TO 3

    LET Mask = 2 * MeasID + StartAddr

    PEEK Mask, WORD InWord

    IF MeasID = 0 THEN        'Temperature

        IF InWord > 0 THEN

            LET InWord = InWord/10

            LET InWord = 9 * InWord

            LET InWord = InWord - 1978

            LET Scratch = InWord/50

        ELSE

            LET Scratch = 32

        ENDIF

    ENDIF

    IF MeasID = 1 THEN        'Humidity

        LET VarAddr = InWord/31 + 10

        IF VarAddr > 114 THEN

            LET Scratch = 100

        ELSE

            READ VarAddr,Scratch

        ENDIF

    ENDIF

    IF MeasID = 2 THEN      'Current

        LET Scratch = InWord/20

    ENDIF

    IF MeasID = 3 THEN      'Battery Voltage

        LET Scratch = InWord/2

    ENDIF

    LET Hunds = Scratch/100 + 48

    LET InByte = Scratch // 100

    LET Tens = InByte /10 + "0"

    LET Units = InByte // 10 + 48

    LET Char = Char + Hunds + Tens + Units

    SEROUT TxOut,N2400_8,(Hunds,Tens,Units,",")

    'SERTXD (Hunds,Tens,Units,",")

NEXT

LET InByte = Char / 16

IF InByte < 10 THEN

    LET Tens = InByte + "0"

ELSE

    LET Tens = InByte + "7"

ENDIF

LET InByte = Char & $0F

IF InByte < 10 THEN

    LET Units = InByte + "0"

ELSE

    LET Units = InByte + "7"

ENDIF

'SEROUT TxOut,N2400_8,(Tens,Units,13,10)

SEROUT TxOut,N2400_8,(Tens,Units,13,10,4,4,4,4,4,4)    'Padding added 10/8/2018

'SERTXD (Tens,Units,13,10,4,4,4,4,4,4)

RETURN


SHTWait:                '68 & 244 ms

LET Char = 0

DO

    INC Char

    LET SHTACK = SHTIn        'If 0 measurement is done

    PAUSE 1

LOOP WHILE Char < SHTGap AND SHTACK = 1

RETURN