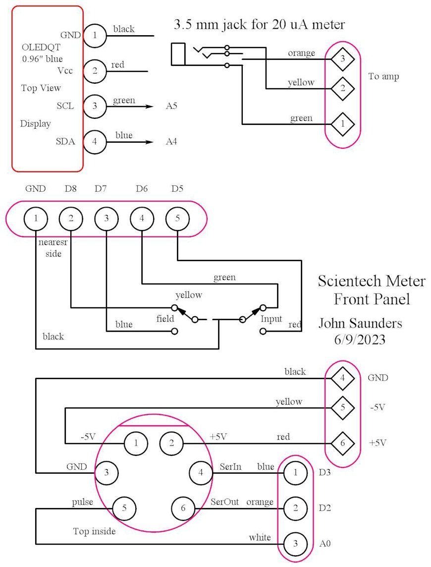
Scientech Meter Front Panel Circuit

        These are all fastened to the narrow vertical strip on the right of the neopixel arc. The switches and the jack for the external meter use little boards to hold headers, so their cables have connectors on both ends.

The display has a header. The DIN connector pins fit jumper cable females without housings, but it was a struggle to keep them on.