Return
Photos
System
200 mv_Amp
Digital_I_O
Green_Amp
Diff_Amp
Passive_Inputs
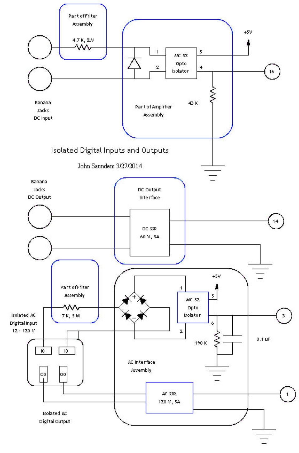
Signal Conditioner Digital Input-Output Schematic Diagram