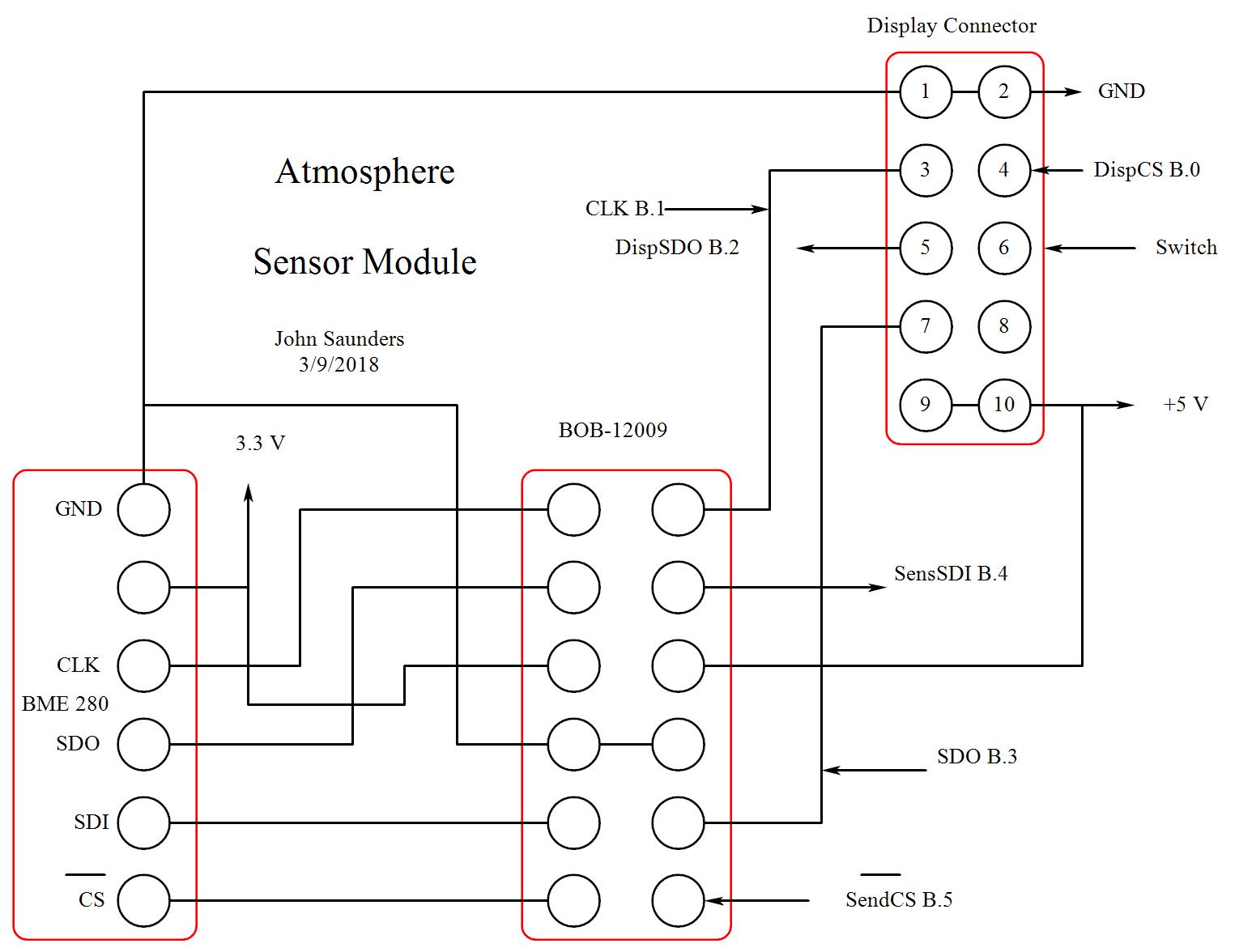
Atmosphere Sensor Board Circuit Diagrams

This diagram omits the SDI connections, which are below.

Conontroller

These are the SDI connections on the Sensor Board:

Connect board