Return
LED Version
Picaxe Version
Arduino Version
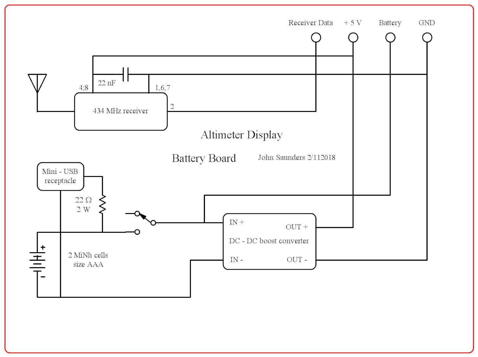
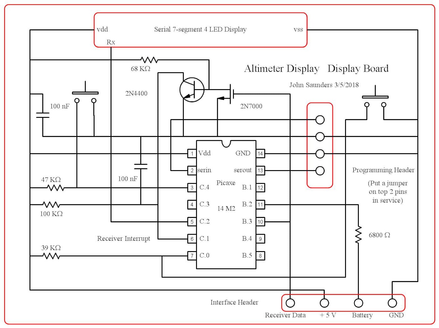
Handheld Display Schematics
4-digit, 7-segment LED Version