Return
LED Version
Picaxe Version
Arduino Version
Handheld Display Schematics
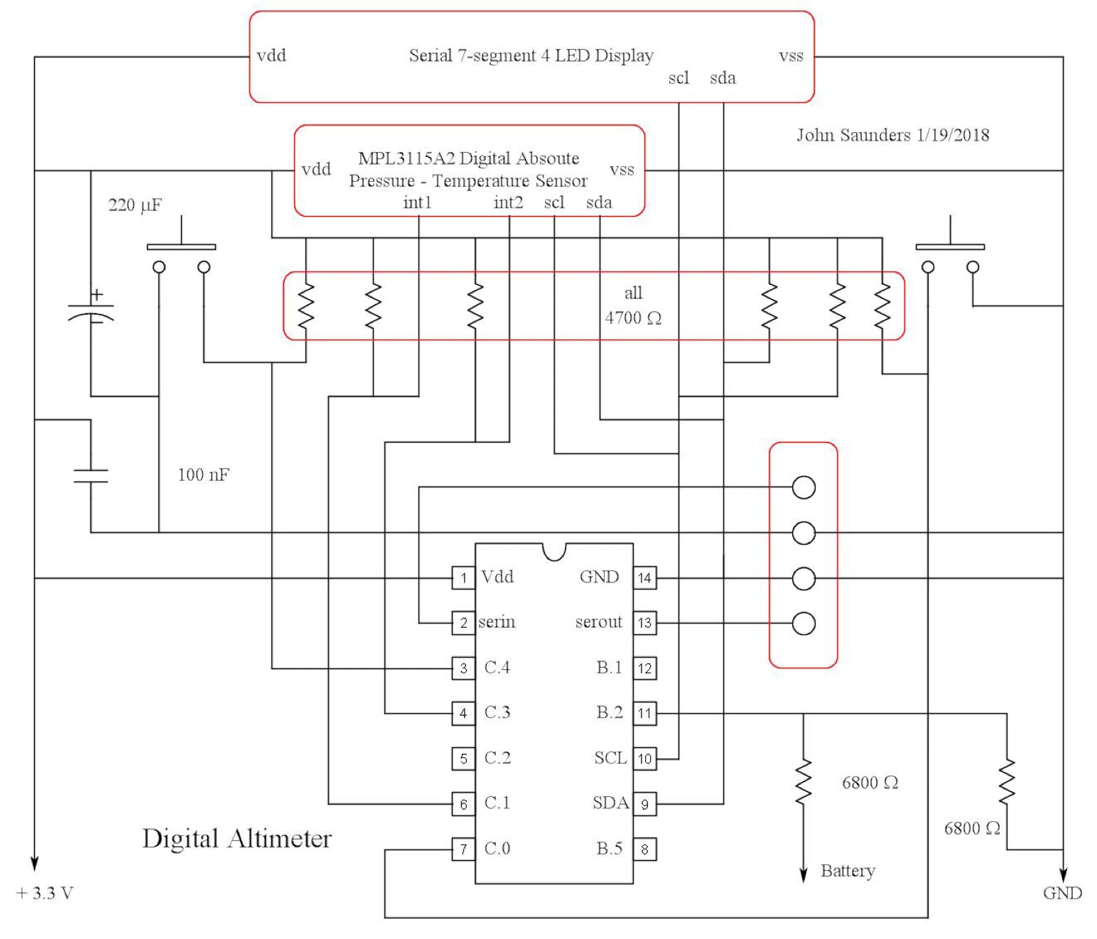
Sensor Picaxe Version