Controller Analog Circuits:

These are the Analog Board connectors:

Analog Board Connectops

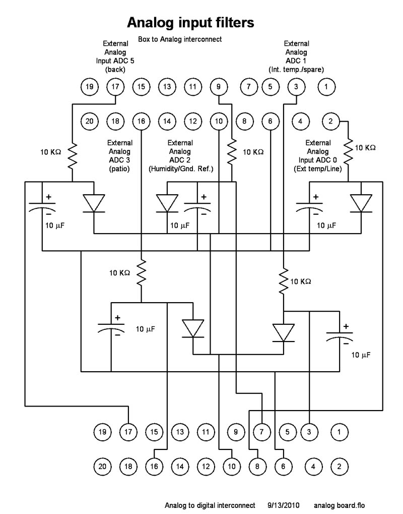
These are the analog filters:

Analog Filtersl

This is the Shunt Amplifier:

Shunt Amplifier

These are the 15V amplifiers:

15 Volt Amplifiers