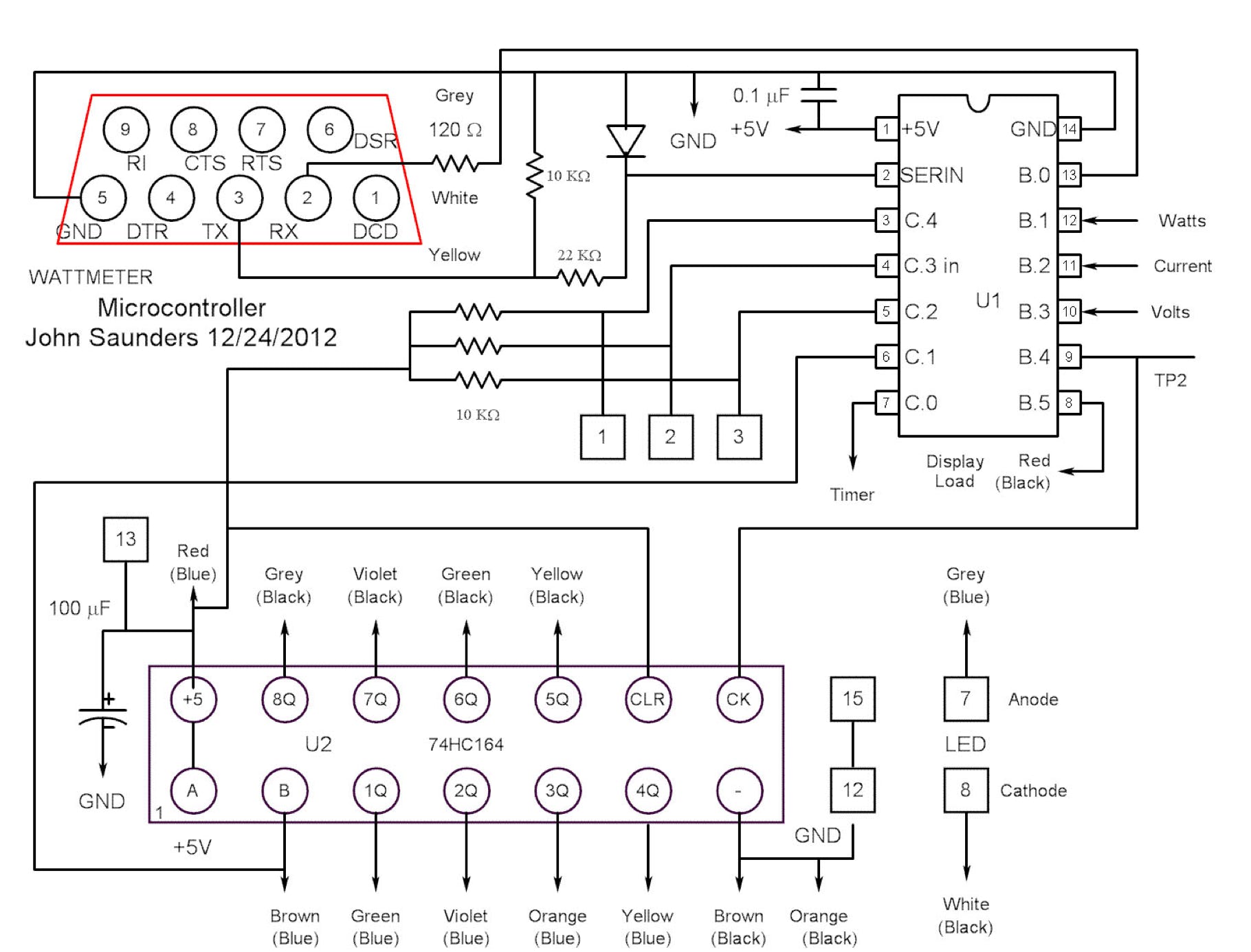
Micro-controller

        I use a standard DA9S for programming Picaxes, because the REV-ED 3mm connector shorts out when installed in a metal chassis, and it needs a special adapter cable to connect to a PC. Since B.0 is the HSEROUT port for a 14M2, the same connector can be used for logging; I have a box which is directly compatible which records on a SD chi;.

        The shift register is a 74HC164. No output latch is needed since the display latches itself. Note that the data line also drives the R/S pin of the display.