A color replacement for the Red LED Data Display and the Big Green Clock

This project is based on one of those 3-color matrix modules which are used in masses for outdoor billboards.
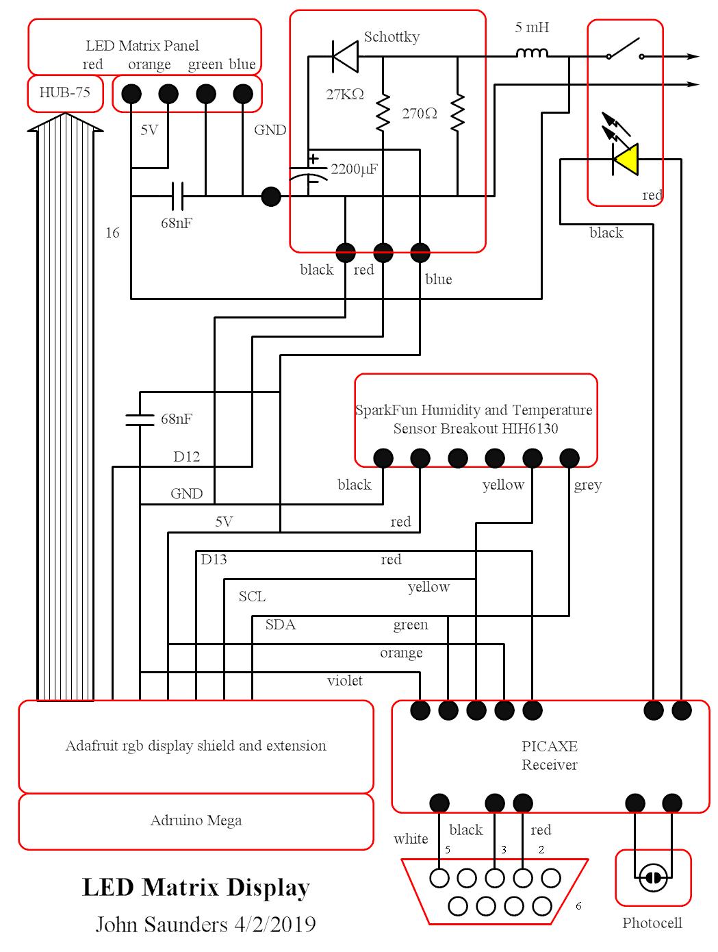
It has 64 columns and 32 rows and measures 80 x 169 mm. It has a 4-pin power and a 16-pin data connector. This latter is standardised with the name HUB-75. It contains circuits for latching and multiplexing, but still needs the processor to have a frame buffer. This buffer needs to store the 3 primary color values for each pixel. This implementation uses 4 bits per color, which are packed so that the frame buffer is 3072 bytes.This is too much for a Arduino UNO so a Mega, which has 8192 bytes, had to be used. This has enough that double-buffering was used, to eliminate update glitches.
Since no HUB-75 shield is made for the Mega, I bought one for a UNO and glued an extension to it to pick up the 6 connections needed only for the Mega.

Because Arduinos lack the sophisticated serial input instruction of Picaxe Basic, a second processor was made to provide for receiving data messages at 433 MHz from the Alpha LED Clock and the Solar Transmitter. It also receives paging commands from either the 12-position transmitter or the OLED Display. Other RF transmissions result in the display of notifications.

Local temperature and humidity are provided by a digital sensor mounted behind the back panel.

A light sensor controls display brightness. It is inside the cabinet but is illuminated by a light conduit at the side of the display.

I elected to make it powered from a separate high-current 5V switching supply because the regulator in the Arduino would overheat if driving the LED matrix. Because of the wide swing of LED current massive filtering was required to avoid de-sensitiving the receiver, with only partial success.
The power circuit feeds the Arduino and the receiver via an isolating diode to avoid overloading the USB source while programming if the 5V power was lost.
The power supply actually provides 5.2V, so the voltage after the Schottky diode is close to 5.0V.

The details are described in these links:

Here are photographs and explanations

Here are the circuit diagrams

Here is the Mega sketch
Here is the Picaxe program